鋁型材配件
Product accessories
Product accessories
聯系APAS / Contact us
- 地址:天津市西青經濟技術開發區賽達國際工業城A3-2.
- 郵箱:lxc@apas.com.cn
- 電話:022-87920088
- 傳真:請聯系網絡管理員
- 郵編:300385
- 咨詢熱線:13702119190(24小時服務熱線)
鋁型材連接角件 / Corner connector
產品名稱 / Name
強力大角件
產品描述 / Describe
型材大角件主要適用于標準規格型材中大截面型材(如:4080、8080、6060【雙槽】、9090等規格鋁型材快速連接,搭配專用T型螺栓及法蘭螺母可以實現重型鋁型材框架結構的快速組裝搭建,是較為常用的型材連接件之一;
022-87920088
可以根據需求進行設計加工,提供上門安裝服務;可以根據特殊需求進行鋁型材開模定制。
* 免費提供工業鋁型材選型手冊 →點擊咨詢
|
|
![]() ![]()
|
|
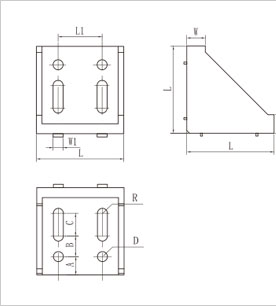
(鋁型材鑄鋁連接角件二維參數)
|
| ? |
|
適用型材
|
槽型
|
L(mm)
|
L1(mm)
|
W(mm)
|
W1(mm)
|
A(mm)
|
B(mm)
|
C(mm)
|
D(mm)
|
R(mm)
|
材質
|
訂貨編號
|
|
30×30
|
槽8
|
58
|
30
|
12
|
5.2
|
15
|
16
|
11.5
|
φ8.5
|
4.25
|
鑄鋁
|
CE-SB6060-8
|
|
40×40
|
槽8
|
78
|
40
|
14
|
7
|
16
|
21
|
16
|
φ9
|
4.5
|
鑄鋁
|
CE-SB8080-8
|
|
45×45
|
槽10
|
86.2
|
45
|
11
|
*
|
8
|
22.5
|
17.2
|
φ8.5
|
*
|
鑄鋁
|
CE-SB9090-10
|
| ? |
|
強力大角件主要應用于30/40/45系列鋁型材規格中如:6060、8080、9090等大截面鋁型材之間緊固連接,適用于重載鋁型材框架結構的設計搭建,具有很高的物理強度; |
?
聯系APAS/ Contact us
天津艾普斯工業鋁型材股份有限公司
聯系電話:022-87920088
企業傳真:(避免惡意廣告)請聯系該企業網絡管理員
服務熱線:13702119190 (24小時服務熱線)
Q Q:534973906
企業郵箱: lxc@apas.com.cn
企業地址:天津市西青經濟技術開發區賽達國際工業城A3-2
聯系電話:022-87920088
企業傳真:(避免惡意廣告)請聯系該企業網絡管理員
服務熱線:13702119190 (24小時服務熱線)
Q Q:534973906
企業郵箱: lxc@apas.com.cn
企業地址:天津市西青經濟技術開發區賽達國際工業城A3-2
采購意向留言:* 為必填















QQ咨詢
電話聯系
聯系電話

在線留言
樣冊下載
